Honeywell Rpls530a 7 Day Programmable Timer Switch White 29 Light Switch Timer Lights Timer Light Switch

Honeywell Rpls530a 7 Day Programmable Timer Switch White 29 Light Switch Timer Lights Timer Light Switch

Pin By Jessica Bucca On For The Home Light Switch Timer Blogger Home Porch Lighting

Pin By Jessica Bucca On For The Home Light Switch Timer Blogger Home Porch Lighting

Love The Idea Of A Timer That Turns Outdoor Lights On And Off Automatically Lights Timer Home Gadgets Driven By Decor

Love The Idea Of A Timer That Turns Outdoor Lights On And Off Automatically Lights Timer Home Gadgets Driven By Decor

Canarm Outdoor Minute Electric Mechanical Timer Switch Christmas Lights And Patio With Waterproof Cover Discontinued No Longer Available Outdoor Lighting Design Diy Outdoor Lighting Outdoor Light Fixtures

Canarm Outdoor Minute Electric Mechanical Timer Switch Christmas Lights And Patio With Waterproof Cover Discontinued No Longer Available Outdoor Lighting Design Diy Outdoor Lighting Outdoor Light Fixtures

Enerlites Het01 C 7 Day Programmable Timer Switch Timer Light Switch Digital Timer Light Switch Programm Porch Light Timer Porch Lighting Light Switch Timer

Enerlites Het01 C 7 Day Programmable Timer Switch Timer Light Switch Digital Timer Light Switch Programm Porch Light Timer Porch Lighting Light Switch Timer

Wall Switch Timer For Outdoor Lights Timer Light Switch Timer Outdoor Wall Mounted Lighting

Wall Switch Timer For Outdoor Lights Timer Light Switch Timer Outdoor Wall Mounted Lighting

Wall Switch Timer For Outdoor Lights Timer Light Switch Timer Outdoor Wall Mounted Lighting >

7 Day Programmable Timer Switch For Outdoor Lights White With Blue Lcd Light Switch Timer Digital Light Light Switch

7 Day Programmable Timer Switch For Outdoor Lights White With Blue Lcd Light Switch Timer Digital Light Light Switch

62 Reference Of Outdoor Light Wall Timer Wall Lights Outdoor Lighting Tv Stand With Bracket

62 Reference Of Outdoor Light Wall Timer Wall Lights Outdoor Lighting Tv Stand With Bracket

Timer Switch Control Circuit Timer Switch For Lights Timer Circuit Switch

Timer Switch Control Circuit Timer Switch For Lights Timer Circuit Switch

Intermatic Gm40avqw Timer Switch Autovoltage 7day Electromechanical In Nema 3r Outdoor Plastic Enclosure Wbattery Backup You Lights Outdoor Lighting Timer

Intermatic Gm40avqw Timer Switch Autovoltage 7day Electromechanical In Nema 3r Outdoor Plastic Enclosure Wbattery Backup You Lights Outdoor Lighting Timer

Outdoor Light Switch Timer Dual Outlet Mechanical 24 Hour Programmable Plug In Century

Outdoor Light Switch Timer Dual Outlet Mechanical 24 Hour Programmable Plug In Century

Honeywell Rpls730b 7 Day Programmable Timer Switch White Light Switch Timer Lights Timer Light Switch

Honeywell Rpls730b 7 Day Programmable Timer Switch White Light Switch Timer Lights Timer Light Switch

Luxury Front Porch Light Timer Hg00fm4 Https Sanantoniohomeinspector Biz Luxury Front Porch Light Porch Light Timer Porch Lighting Installing A Light Switch

Luxury Front Porch Light Timer Hg00fm4 Https Sanantoniohomeinspector Biz Luxury Front Porch Light Porch Light Timer Porch Lighting Installing A Light Switch

Woods By Coleman Cable Photoelectric Timer With Wireless Remote Control Eclecticdecor Remote Control Light Timer Outdoor Lighting

Woods By Coleman Cable Photoelectric Timer With Wireless Remote Control Eclecticdecor Remote Control Light Timer Outdoor Lighting

Ac105 305v Worldwide Photocell Timer Light Switch Daylight Dusk Till Dawn Auto Sensor Light Switch Outdoor Energy Light Sensor Light Sensor Switch Light Switch

Ac105 305v Worldwide Photocell Timer Light Switch Daylight Dusk Till Dawn Auto Sensor Light Switch Outdoor Energy Light Sensor Light Sensor Switch Light Switch

This Season Show Off Your Holiday Spirit In Style With Outlet Timers Outlet Timers Allow You To Control Yo Light Switch Timer Christmas Lights Outdoor Outlet

This Season Show Off Your Holiday Spirit In Style With Outlet Timers Outlet Timers Allow You To Control Yo Light Switch Timer Christmas Lights Outdoor Outlet

Pin On Improvements

Pin On Improvements

Dewenwils Digital Outdoor Light Sensor Countdownl Timer 7 Day Programmable Plug In Light Timer Switch With 3 Light Sensor Outdoor Lighting Electrical Outlets

Dewenwils Digital Outdoor Light Sensor Countdownl Timer 7 Day Programmable Plug In Light Timer Switch With 3 Light Sensor Outdoor Lighting Electrical Outlets

Dewenwils Outdoor Light Timer With Remote Control And Countdown Waterproof Heavy Duty Timer Switch With 2 Groun Light Sensor Lights Timer Remote Control Light

Dewenwils Outdoor Light Timer With Remote Control And Countdown Waterproof Heavy Duty Timer Switch With 2 Groun Light Sensor Lights Timer Remote Control Light

Photocell With Timer Wiring Diagram Outdoor Flood Lights Wire Timer

Photocell With Timer Wiring Diagram Outdoor Flood Lights Wire Timer

Woods 13547 Outdoor Yard Stake With Photocell Built In Timer And 6 Foot Cord Automatic Lighting With Adjustable Settings Ideal For Holiday Outdoor Lighting Automatic Lighting Outdoor Christmas Lights Outdoor Lighting

Woods 13547 Outdoor Yard Stake With Photocell Built In Timer And 6 Foot Cord Automatic Lighting With Adjustable Settings Ideal For Holiday Outdoor Lighting Automatic Lighting Outdoor Christmas Lights Outdoor Lighting

In Wall 7 Day Digital Programmable Timer Switch For Fans Lights Motors White 17 49 17 49 Digital Timer Timer Light Switch

In Wall 7 Day Digital Programmable Timer Switch For Fans Lights Motors White 17 49 17 49 Digital Timer Timer Light Switch

Programmable 7 Day Digital Timer Switch On Off Per Day Pool Spa Light Control Ge Outdoor Box Remodeling Tools Digital Timer

Programmable 7 Day Digital Timer Switch On Off Per Day Pool Spa Light Control Ge Outdoor Box Remodeling Tools Digital Timer

Intermatic 20 Amp 24 Hour Indoor In Wall Heavy Duty Mechanical Timer White Iw700k The Home Depot Timer Light Switch Timer House Wiring

Intermatic 20 Amp 24 Hour Indoor In Wall Heavy Duty Mechanical Timer White Iw700k The Home Depot Timer Light Switch Timer House Wiring

Pin On Energy Savers

Pin On Energy Savers

Wion Indoor Wi Fi Outlet With Wireless Switch And Programmable Timer Wireless Switch Remote Control Light Timer

Wion Indoor Wi Fi Outlet With Wireless Switch And Programmable Timer Wireless Switch Remote Control Light Timer

Timer Outlet Unifun Infinite Cycle Programmable Plugin Digital Countdown Timer Socket With Alarm 3prong For Applian Digital Countdown Timer Digital Timer Timer

Timer Outlet Unifun Infinite Cycle Programmable Plugin Digital Countdown Timer Socket With Alarm 3prong For Applian Digital Countdown Timer Digital Timer Timer

Pin By Abdallah Jamal On Projects To Try Security Lights Light Switch Wiring Lighting Diagram

Pin By Abdallah Jamal On Projects To Try Security Lights Light Switch Wiring Lighting Diagram

Image Result For Timer Light Switch Double Electrical Plan Electrical Symbols Electrical Layout

Image Result For Timer Light Switch Double Electrical Plan Electrical Symbols Electrical Layout

Avi On Switch Wireless Light Switch Light Switch Bluetooth Light

Avi On Switch Wireless Light Switch Light Switch Bluetooth Light

Intermatic Km2st4g 4 Gang Toggle Spst 24hour Mechanical Timer For More Information Visit Image Link This Is An Affiliate L Timer Office Machines Mechanic

Intermatic Km2st4g 4 Gang Toggle Spst 24hour Mechanical Timer For More Information Visit Image Link This Is An Affiliate L Timer Office Machines Mechanic

Wylacznik Czasowy Cn101a Ac Dc 110 V 120 V Cyfrowy Wyswietlacz Lcd Zasilanie Tygodniowy Mini Programowalny Wylacznik Czasowy Przekaznik 8 Timer Smart Auto Acdc

Wylacznik Czasowy Cn101a Ac Dc 110 V 120 V Cyfrowy Wyswietlacz Lcd Zasilanie Tygodniowy Mini Programowalny Wylacznik Czasowy Przekaznik 8 Timer Smart Auto Acdc

Photocell Timer Light Switch Low Energy Supermarket Light Switch Outdoor Lighting Timer

Photocell Timer Light Switch Low Energy Supermarket Light Switch Outdoor Lighting Timer

Autochron Programmable Wall Switch Timer No Wiring Needed Battery Operated Timer House Lighting Outdoor Battery Operated

Autochron Programmable Wall Switch Timer No Wiring Needed Battery Operated Timer House Lighting Outdoor Battery Operated

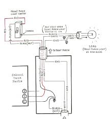
New Need Wiring Diagram Diagram Wiringdiagram Diagramming Diagramm Visuals Visualisation Graphical Porch Light Timer Light Switch Wiring Porch Lighting

New Need Wiring Diagram Diagram Wiringdiagram Diagramming Diagramm Visuals Visualisation Graphical Porch Light Timer Light Switch Wiring Porch Lighting

Pin On Home Interior

Pin On Home Interior

Smart Socket Wifi Mobile Phone Timer Switch Socket Remote Control Outdoor Waterproof Plug Home Home Color Chan Remote Control Mobile Phone Remote Control Light

Smart Socket Wifi Mobile Phone Timer Switch Socket Remote Control Outdoor Waterproof Plug Home Home Color Chan Remote Control Mobile Phone Remote Control Light

Pin On Banggood

Pin On Banggood

Click Image To Buy Broadlink Tc2 3 Gang Wireless Remote Control Switch Wifi Wall Light Touch Smart Timer Swi Remote Control Light Lights Timer Home Automation

Click Image To Buy Broadlink Tc2 3 Gang Wireless Remote Control Switch Wifi Wall Light Touch Smart Timer Swi Remote Control Light Lights Timer Home Automation

Casung Wireless Wifi Outdoor Smart Plug 1 In 3 Out Remote Control Outlet Switches Lights Timer Socket On Off Works With Amazon Alex Smart Plug Plug Socket Wifi

Casung Wireless Wifi Outdoor Smart Plug 1 In 3 Out Remote Control Outlet Switches Lights Timer Socket On Off Works With Amazon Alex Smart Plug Plug Socket Wifi

Pin On Smart Tech

Pin On Smart Tech

Honeywell Home 120 Volt 7 Day Programmable Indoor Motor And Light Switch Timer Rpls730b1000 U The Home Depot Light Switch Timer Honeywell Light Switch

Honeywell Home 120 Volt 7 Day Programmable Indoor Motor And Light Switch Timer Rpls730b1000 U The Home Depot Light Switch Timer Honeywell Light Switch

Pin By Mbow On Informatique Industrielle Et Automatique In 2020 Digital Timer Timer Bluetooth Low Energy

Pin By Mbow On Informatique Industrielle Et Automatique In 2020 Digital Timer Timer Bluetooth Low Energy

Cn101a Lcd Zasilanie Programator Cyfrowy Dc 12 V 16a Przekaznik Czasowy Przelacznik Sterowania Dla Urzadzen Elektrycznych Digital Timer Timer Lcd

Cn101a Lcd Zasilanie Programator Cyfrowy Dc 12 V 16a Przekaznik Czasowy Przelacznik Sterowania Dla Urzadzen Elektrycznych Digital Timer Timer Lcd

Volt Lighting Groundbreaking 300w Led Transformer For Super Easy Installation And Control Low Voltage Outdoor Lighting Outdoor Lighting Wireless Switch

Volt Lighting Groundbreaking 300w Led Transformer For Super Easy Installation And Control Low Voltage Outdoor Lighting Outdoor Lighting Wireless Switch

Autochron Programmable Wall Switch Timer Timer Light Switch Timer Wireless Lights

Autochron Programmable Wall Switch Timer Timer Light Switch Timer Wireless Lights

Digital In Wall Timer Switch Single Pole Or 3 Way Intermatic St01c Digital Timer Lights Timer Timer

Digital In Wall Timer Switch Single Pole Or 3 Way Intermatic St01c Digital Timer Lights Timer Timer

Woods Outdoor Digital Plug In Timer Switch 7 Day Heavy Duty 2 Grounded Outlets Woods

Woods Outdoor Digital Plug In Timer Switch 7 Day Heavy Duty 2 Grounded Outlets Woods

Light Replacement Lutron Timer Switch Bathroom Fan Lutron Timer

Light Replacement Lutron Timer Switch Bathroom Fan Lutron Timer

Woods 15 Amp Wion Outdoor Plug In Wi Fi Wireless Switch Dual Outlet Programmable Control Timer Black 50049 The Home Depot Wireless Switch Light Switch Timer Wifi

Woods 15 Amp Wion Outdoor Plug In Wi Fi Wireless Switch Dual Outlet Programmable Control Timer Black 50049 The Home Depot Wireless Switch Light Switch Timer Wifi

Source : pinterest.com