Pin On Social And Emotional Learning

Pin On Social And Emotional Learning

Stop Think Share Behaviour Management Poster Behaviour Management Traffic Light Stress

Stop Think Share Behaviour Management Poster Behaviour Management Traffic Light Stress

Easybee Traffic Light Printable Easybee Stoplight Behavior Behavior Chart Printable Classroom Behavior Chart

Easybee Traffic Light Printable Easybee Stoplight Behavior Behavior Chart Printable Classroom Behavior Chart

A Simple Stop Light Is A Good Symbol To Help Children Use Procedures To Aid In Controlling Coping Skills Impulse Control Activities Social Emotional Learning

A Simple Stop Light Is A Good Symbol To Help Children Use Procedures To Aid In Controlling Coping Skills Impulse Control Activities Social Emotional Learning

Traffic Light Behavior Management Packet Stoplight Behavior Behavior System Behavior Management

Traffic Light Behavior Management Packet Stoplight Behavior Behavior System Behavior Management

Traffic Signal Plc Ladder Programming Complete Project Popular Plc Videos In Automation Design And Development Ladder Logic Traffic Signal Traffic Light

Traffic Signal Plc Ladder Programming Complete Project Popular Plc Videos In Automation Design And Development Ladder Logic Traffic Signal Traffic Light

Traffic Signal Plc Ladder Programming Complete Project Popular Plc Videos In Automation Design And Development Ladder Logic Traffic Signal Traffic Light >

Noise Control Traffic Light Traffic Light Voice Levels Classroom Rules

Noise Control Traffic Light Traffic Light Voice Levels Classroom Rules

Pin On Electrical Technology

Pin On Electrical Technology

Free Noise Control Traffic Light Positive Classroom Management Classroom Management Tips Classroom Management Techniques

Free Noise Control Traffic Light Positive Classroom Management Classroom Management Tips Classroom Management Techniques

How An Image Of Traffic Lights Can Help Us Manage Our Emotions Does This Sound Familiar You Re Having A Conversation Traffic Light Emotions Managing Emotions

How An Image Of Traffic Lights Can Help Us Manage Our Emotions Does This Sound Familiar You Re Having A Conversation Traffic Light Emotions Managing Emotions

Teacher S Pet Editable Traffic Light Noise Posters Free Classroom Display Resource Eyfs Ks1 Ks2 Edita Classroom Displays Traffic Light School Displays

Teacher S Pet Editable Traffic Light Noise Posters Free Classroom Display Resource Eyfs Ks1 Ks2 Edita Classroom Displays Traffic Light School Displays

Control Of Traffic Light Ladder Logic Diagram Ladder Logic Traffic Light Traffic

Control Of Traffic Light Ladder Logic Diagram Ladder Logic Traffic Light Traffic

Arduino Traffic Light Controller Traffic Light Arduino Arduino Projects

Arduino Traffic Light Controller Traffic Light Arduino Arduino Projects

Led Traffic Lights Signal Module Led Arrow Light Solar Traffic Light System Traffic Light Traffic Signal Traffic Light Signal

Led Traffic Lights Signal Module Led Arrow Light Solar Traffic Light System Traffic Light Traffic Signal Traffic Light Signal

Diy Arduino Traffic Light Pedestrian Light Push Button Control Traffic Light Arduino Projects Arduino

Diy Arduino Traffic Light Pedestrian Light Push Button Control Traffic Light Arduino Projects Arduino

Sg30 115rg Led Traffic Light Dock Safety Lighting Traffic Control Traffic Light Safety Lights Visual Communication

Sg30 115rg Led Traffic Light Dock Safety Lighting Traffic Control Traffic Light Safety Lights Visual Communication

Traffic Light Display Classroom And Noise Management Light Display Classroom Traffic Light Classroom

Traffic Light Display Classroom And Noise Management Light Display Classroom Traffic Light Classroom

Traffic Light Behaviour Management Chart Behaviour Management Behavior Management Chart Preschool Behavior

Traffic Light Behaviour Management Chart Behaviour Management Behavior Management Chart Preschool Behavior

Pin On Dlya Interaktiva Ispring

Pin On Dlya Interaktiva Ispring

My Toddler Is Getting Angry What Do I Do Live Life With Your Kids Self Control Emotions Blue Butterfly Wallpaper

My Toddler Is Getting Angry What Do I Do Live Life With Your Kids Self Control Emotions Blue Butterfly Wallpaper

555 Timer Based Four Way Traffic Light Circuit Diagram Traffic Light Circuit Diagram Traffic

555 Timer Based Four Way Traffic Light Circuit Diagram Traffic Light Circuit Diagram Traffic

Traffic Light Saves A Lot Of Energy With Ultimate Functionalities Traffic Light Traffic Technology

Traffic Light Saves A Lot Of Energy With Ultimate Functionalities Traffic Light Traffic Technology

Intersection Street Light Led Street Lights Traffic Signal

Intersection Street Light Led Street Lights Traffic Signal

4 Way Traffic Lights Circuit Electronic Schematics Led Projects Traffic Light

4 Way Traffic Lights Circuit Electronic Schematics Led Projects Traffic Light

3

3

Traffic Light On The Sky Background Abstract Business Car City Color Concept Control Crossing Crossroad Danger Traffic Light Stop Light Sky

Traffic Light On The Sky Background Abstract Business Car City Color Concept Control Crossing Crossroad Danger Traffic Light Stop Light Sky

Learning Parade Classroom Management Strategies Classroom Rules Classroom Management

Learning Parade Classroom Management Strategies Classroom Rules Classroom Management

Traffic Light Card Stop Go 3x9 Traffic Light Cards Traffic

Traffic Light Card Stop Go 3x9 Traffic Light Cards Traffic

Traffic Light Has Been Installed With Rf Remote Controll The Lights Can Be Controlled From Remote Control Each Lights Can Be Turned Lamp Traffic Light Light

Traffic Light Has Been Installed With Rf Remote Controll The Lights Can Be Controlled From Remote Control Each Lights Can Be Turned Lamp Traffic Light Light

This Density Based Traffic Light Control System Circuit Is Designed Using Atmega8 Microcontroller An Electronics Mini Projects Electronics Electronics Projects

This Density Based Traffic Light Control System Circuit Is Designed Using Atmega8 Microcontroller An Electronics Mini Projects Electronics Electronics Projects

Vintage Retired 3 Signal Traffic Light Sign Traffic Control Technologies Works Ebay Traffic Light Sign Traffic Light Light

Vintage Retired 3 Signal Traffic Light Sign Traffic Control Technologies Works Ebay Traffic Light Sign Traffic Light Light

These Ai Traffic Lights Could Shorten Your Commute Traffic Light Light Control Traffic Light Sign

These Ai Traffic Lights Could Shorten Your Commute Traffic Light Light Control Traffic Light Sign

Traffic Light Icon Traffic Control Light Vector Art Illustration Ad Ad Icon Light Traffic Control Light Icon Vector Art Illustration Vector Art

Traffic Light Icon Traffic Control Light Vector Art Illustration Ad Ad Icon Light Traffic Control Light Icon Vector Art Illustration Vector Art

Red Light Green Light 123 Entreprenuership Traffic Light Traffic Signal Stop Light

Red Light Green Light 123 Entreprenuership Traffic Light Traffic Signal Stop Light

Control Safety2 Traffic Light Traffic Smart City

Control Safety2 Traffic Light Traffic Smart City

Envirementalb Com Electronic Circuit Projects Traffic Light Electronics Circuit

Envirementalb Com Electronic Circuit Projects Traffic Light Electronics Circuit

Pin On Classroom Management

Pin On Classroom Management

Pin On U

Pin On U

Traffic Light Controller In 2020 Traffic Light Encryption Algorithms Traffic

Traffic Light Controller In 2020 Traffic Light Encryption Algorithms Traffic

Traffic Light Decoration 1 4 Scale Remote Control 3d Printed Manual Auto Modes Wall Or Pole Mou Light Decorations Traffic Light Light

Traffic Light Decoration 1 4 Scale Remote Control 3d Printed Manual Auto Modes Wall Or Pole Mou Light Decorations Traffic Light Light

Traffic Lights U Turns And Overhead Lane Controls Traffic Lights Control The Flow Of Vehicles And Pedestrian Road Traffic Safety Traffic Light Traffic Safety

Traffic Lights U Turns And Overhead Lane Controls Traffic Lights Control The Flow Of Vehicles And Pedestrian Road Traffic Safety Traffic Light Traffic Safety

Traffic Light System Using 8051 Microcontroller Gadgetronicx Traffic Light Microcontrollers Traffic

Traffic Light System Using 8051 Microcontroller Gadgetronicx Traffic Light Microcontrollers Traffic

Confusing Green Red Traffic Lights Sky Copyspace Realistic Photos

Confusing Green Red Traffic Lights Sky Copyspace Realistic Photos

Pin On Barn Full Express Vintage

Pin On Barn Full Express Vintage

Arduino Programming For Beginners Traffic Light Controller Project Tutorial Arduino Arduino Projects Diy Arduino Programming

Arduino Programming For Beginners Traffic Light Controller Project Tutorial Arduino Arduino Projects Diy Arduino Programming

Free 3d Model Download Traffic Light Lights 3d Model

Free 3d Model Download Traffic Light Lights 3d Model

Pin Di 8051 Microcontroller

Pin Di 8051 Microcontroller

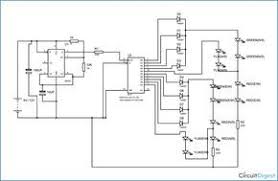
Density Based Traffic Signal System Using Microcontroller Traffic Signal Microcontrollers Lighting Control System

Density Based Traffic Signal System Using Microcontroller Traffic Signal Microcontrollers Lighting Control System

Traffic Light Sidewalk Traffic Control Light Traffic Clipart Light Clipart Traffic Light Clipart

Traffic Light Sidewalk Traffic Control Light Traffic Clipart Light Clipart Traffic Light Clipart

Https Encrypted Tbn0 Gstatic Com Images Q Tbn And9gcqclvqowrjyw7oasmrzxpfyxe6cjzathzm2sgx3ojgeqdr78zbz Usqp Cau

Https Encrypted Tbn0 Gstatic Com Images Q Tbn And9gcqclvqowrjyw7oasmrzxpfyxe6cjzathzm2sgx3ojgeqdr78zbz Usqp Cau

Source : pinterest.com