Reverse Backup Lighting Toyota Fj Cruiser Fj Cruiser Fj Cruiser Forum

Reverse Backup Lighting Toyota Fj Cruiser Fj Cruiser Fj Cruiser Forum

Oxilam 2x Canbus T15 W16w Led Bulb Car Back Up Reverse Lights For Bmw E60 E90 Toyota Corolla Camry Prado Volkswagen Vw Passat B7 Toyota Corolla Vw Passat Camry

Oxilam 2x Canbus T15 W16w Led Bulb Car Back Up Reverse Lights For Bmw E60 E90 Toyota Corolla Camry Prado Volkswagen Vw Passat B7 Toyota Corolla Vw Passat Camry

Ijdmtoy Tow Hitch Mount 40w High Power Cree Led Pod Backup Reverse Lights X2f Rear Search Lighting X2f Off Road Work Lam Truck Accessories Ford Trucks Trucks

Ijdmtoy Tow Hitch Mount 40w High Power Cree Led Pod Backup Reverse Lights X2f Rear Search Lighting X2f Off Road Work Lam Truck Accessories Ford Trucks Trucks

Flush Mounted Led Back Up Lights On A Ford F150 These Powerful Led Lights Will Brighten Up Whatever Is Behind You Trucka Ford F150 Custom Truck Bumpers F150

Flush Mounted Led Back Up Lights On A Ford F150 These Powerful Led Lights Will Brighten Up Whatever Is Behind You Trucka Ford F150 Custom Truck Bumpers F150

3rd Gen 4runner With Auxiliary Led Backup Lights Installed Full Install Instructions At Website 4runner Off Road Led Lights Tacoma Bumper

3rd Gen 4runner With Auxiliary Led Backup Lights Installed Full Install Instructions At Website 4runner Off Road Led Lights Tacoma Bumper

Rigid Industries Back Up Lights In 2020 Rigid Industries Flush Mount Led Optics

Rigid Industries Back Up Lights In 2020 Rigid Industries Flush Mount Led Optics

Rigid Industries Back Up Lights In 2020 Rigid Industries Flush Mount Led Optics >

Pin On Products Display

Pin On Products Display

Pin On Truck Stuff

Pin On Truck Stuff

Led Emergency Backup Lights Led Emergency Lights Emergency Lighting Led Lights

Led Emergency Backup Lights Led Emergency Lights Emergency Lighting Led Lights

Access Back Up Led Light Peel And Stick Reverse Lights Waterproof Led Lights Led Lights Led Light Strips

Access Back Up Led Light Peel And Stick Reverse Lights Waterproof Led Lights Led Lights Led Light Strips

How To Install Led Reverse Lights With Images Installation Truck Lights Truck Bed Lights

How To Install Led Reverse Lights With Images Installation Truck Lights Truck Bed Lights

2x W16w Led Reverse Light Bulb For Volkswagen Vw Cc Gti Passat B7 Back Up Car Lamp 912 921 T15 Led Canbus No Error White 12v Review Vw Cc Volkswagen Light Bulb

2x W16w Led Reverse Light Bulb For Volkswagen Vw Cc Gti Passat B7 Back Up Car Lamp 912 921 T15 Led Canbus No Error White 12v Review Vw Cc Volkswagen Light Bulb

You May Not Always Tow But You Do Need Light In The Back Of Your Truck Or Suv This Universally Fit Tow Hitch Mounted Dual Led Pod Truck Hitch Trucks 4runner

You May Not Always Tow But You Do Need Light In The Back Of Your Truck Or Suv This Universally Fit Tow Hitch Mounted Dual Led Pod Truck Hitch Trucks 4runner

Pin On F 250 Ultimate Build Out

Pin On F 250 Ultimate Build Out

Pin On Car Lights

Pin On Car Lights

Acumste Backup Reverse Lights 921 912 T15 W16w Led Bulbs Super Bright 2000 Lumens 90pc 3014 Smd Chipsets For Backup Reverse Lights 6000k X In 2020 Led Bulb Bulb Lights

Acumste Backup Reverse Lights 921 912 T15 W16w Led Bulbs Super Bright 2000 Lumens 90pc 3014 Smd Chipsets For Backup Reverse Lights 6000k X In 2020 Led Bulb Bulb Lights

67 First Year Corvette Made Backup Lights Standard Equipment Chevrolet Corvette Corvette Dream Cars

67 First Year Corvette Made Backup Lights Standard Equipment Chevrolet Corvette Corvette Dream Cars

Mercedes Benz E350 Coupe With 25w Cree Led 921 Reverse Lights Mercedes Benz E350 Mercedes Benz E350 Coupe Mercedes Benz

Mercedes Benz E350 Coupe With 25w Cree Led 921 Reverse Lights Mercedes Benz E350 Mercedes Benz E350 Coupe Mercedes Benz

Our 50w Cree Led Back Up Reverse Light Bulbs Are As Bright As They Get Thanks To The 360 Degree Design And 3x Magnifying Projector Lens Come Cree Led T10 Led

Our 50w Cree Led Back Up Reverse Light Bulbs Are As Bright As They Get Thanks To The 360 Degree Design And 3x Magnifying Projector Lens Come Cree Led T10 Led

2x Canbus T15 W16w Led Bulbs Reverse Lights 2835smd Car Led Back Up Rear Lamp For Bmw 5 Series E60 E61 F10 F11 F07 Mini Cooper Review Car Led Bmw 5 Series Bmw

2x Canbus T15 W16w Led Bulbs Reverse Lights 2835smd Car Led Back Up Rear Lamp For Bmw 5 Series E60 E61 F10 F11 F07 Mini Cooper Review Car Led Bmw 5 Series Bmw

Polaris Ranger Led Back Up Reverse Lights Atv Rzr Sportsman Polaris Ranger Polaris Ranger Accessories Ranger

Polaris Ranger Led Back Up Reverse Lights Atv Rzr Sportsman Polaris Ranger Polaris Ranger Accessories Ranger

Docking Lights For Backing Up In Dark Future Mod Tent Trailer Camping Trailer Pop Up Tent Trailer

Docking Lights For Backing Up In Dark Future Mod Tent Trailer Camping Trailer Pop Up Tent Trailer

Fusion Bumpers Fb 1112chvrb Chevy Duramax Rear Bumper This One Has The Rigid Led Backup Lights Super Bright Camionetas Proyectos De Soldadura Traseros

Fusion Bumpers Fb 1112chvrb Chevy Duramax Rear Bumper This One Has The Rigid Led Backup Lights Super Bright Camionetas Proyectos De Soldadura Traseros

Rigid Srm Led Reverse Lights 2180miles Grand Cherokee Trailhawk Lights Reverse

Rigid Srm Led Reverse Lights 2180miles Grand Cherokee Trailhawk Lights Reverse

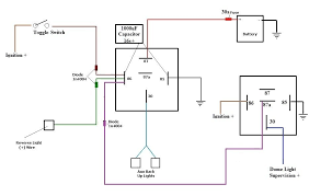
Back Up Aux Reverse Lights Wiring Diagram All Three Turn On Options F150online Forums Electrical Wiring Diagram Reverse Diagram

Back Up Aux Reverse Lights Wiring Diagram All Three Turn On Options F150online Forums Electrical Wiring Diagram Reverse Diagram

Ijdmtoy Tow Hitch Mount 40w High Power Cree Led Pod Backup Reverse Lights Rear Search Lighting Off Road Work Lamps For Truck Suv Trai Cree Led Tow Hitch Towing

Ijdmtoy Tow Hitch Mount 40w High Power Cree Led Pod Backup Reverse Lights Rear Search Lighting Off Road Work Lamps For Truck Suv Trai Cree Led Tow Hitch Towing

Rigid Industries Flush Mount Led Back Up Light Kit Available On Most Truck Makes And Models From Longhorn Ford And Rigid Industries Chrysler Jeep Truck Lights

Rigid Industries Flush Mount Led Back Up Light Kit Available On Most Truck Makes And Models From Longhorn Ford And Rigid Industries Chrysler Jeep Truck Lights

Boaosi 1x Canbus T15 Led Reverse Lights W16w Car Led Back Up Rear Lamp For Vw Tiguan Passat B7 Sharan Scirocco Skoda Superb Skoda Superb Car Lights Car Led

Boaosi 1x Canbus T15 Led Reverse Lights W16w Car Led Back Up Rear Lamp For Vw Tiguan Passat B7 Sharan Scirocco Skoda Superb Skoda Superb Car Lights Car Led

Time To Source Smarter Heavy Duty Led Manufacturing

Time To Source Smarter Heavy Duty Led Manufacturing

Amazon Com Ijdmtoy Tow Hitch Mount 40w High Power Cree Led Pod Backup Reverse Lights Rear Search Lighting Off Road Work L Cree Led Tow Hitch Truck And Trailer

Amazon Com Ijdmtoy Tow Hitch Mount 40w High Power Cree Led Pod Backup Reverse Lights Rear Search Lighting Off Road Work L Cree Led Tow Hitch Truck And Trailer

123 49 Rigid Industries 20641 Black Back Up Kit Ignite Led Flush Mount Rigid Industries Small Forward Overland Vehicles

123 49 Rigid Industries 20641 Black Back Up Kit Ignite Led Flush Mount Rigid Industries Small Forward Overland Vehicles

Easy Storm Back Up Lights For Those Pesky Dark Stairs And Corridors Leading To Easy Storm Back Up Lights For In 2020 Camping Lights Solar Camping Stair Lighting

Easy Storm Back Up Lights For Those Pesky Dark Stairs And Corridors Leading To Easy Storm Back Up Lights For In 2020 Camping Lights Solar Camping Stair Lighting

Katur 2 X 1200 Lumens Super Bright 7440 7441 7443 7444 992 Led Bulbs 4014 48 Ex Chipsets With Projector For Back Up Reverse Lights Drl Turn S Led Bulb Bulb Led

Katur 2 X 1200 Lumens Super Bright 7440 7441 7443 7444 992 Led Bulbs 4014 48 Ex Chipsets With Projector For Back Up Reverse Lights Drl Turn S Led Bulb Bulb Led

25w Cree Ph16w Backup Led Bulbs For Bmw E92 Lci 328i 335i M3 3 Series Bmw Cree Led Car Lights

25w Cree Ph16w Backup Led Bulbs For Bmw E92 Lci 328i 335i M3 3 Series Bmw Cree Led Car Lights

Pics From Todays S1 Reverse Lights Install On 2019 Raptor Ford Raptor Forums Installation Reverse Pics

Pics From Todays S1 Reverse Lights Install On 2019 Raptor Ford Raptor Forums Installation Reverse Pics

Schematic For Wiring Up Aux Reverse Lights Without Switch Jeep Cherokee Lights Electricity

Schematic For Wiring Up Aux Reverse Lights Without Switch Jeep Cherokee Lights Electricity

Custom Z71 Tahoe Back Up Roof Rack Reverse Lights Install Roof Rack Roof Tahoe

Custom Z71 Tahoe Back Up Roof Rack Reverse Lights Install Roof Rack Roof Tahoe

Pin On Idun Truck Trailer Lights

Pin On Idun Truck Trailer Lights

C6 Corvette Backup Led Plug N Play Best Priced Guaranteed Brighten Up Your C6 Corvette S Reverse Lights With Our Insanely Bright L Corvette 2005 Corvette Led

C6 Corvette Backup Led Plug N Play Best Priced Guaranteed Brighten Up Your C6 Corvette S Reverse Lights With Our Insanely Bright L Corvette 2005 Corvette Led

Flush Mount 10w Cree Led Backup Or Driving Pod Lights For Car Suv Truck Tactical Truck Expedition Vehicle Truck Accessories

Flush Mount 10w Cree Led Backup Or Driving Pod Lights For Car Suv Truck Tactical Truck Expedition Vehicle Truck Accessories

Pin On Favorite Cars American Muscle

Pin On Favorite Cars American Muscle

Back Up Lights Closer Hummer Hummer H1 Monster Trucks

Back Up Lights Closer Hummer Hummer H1 Monster Trucks

Pin On Rear Bumpers Multicarriers

Pin On Rear Bumpers Multicarriers

Boaosi 1x Error Free T15 Car Led Backup Reverse Lights Lamps For Infiniti G25 Qx50 60 M37 M25l Fx50 Jx35 Ex37 Ex25 Fx37 Fx35 G37 Car Lights Car Led Lights

Boaosi 1x Error Free T15 Car Led Backup Reverse Lights Lamps For Infiniti G25 Qx50 60 M37 M25l Fx50 Jx35 Ex37 Ex25 Fx37 Fx35 G37 Car Lights Car Led Lights

Boaosi 2x Canbus T15 Led Reverse Lights W16w 4014smd Car Led Back Up Rear Lamp For Bmw 5 Series E60 E61 F10 F11 F07 Mini Cooper Car Led Bmw 5 Series Car Lights

Boaosi 2x Canbus T15 Led Reverse Lights W16w 4014smd Car Led Back Up Rear Lamp For Bmw 5 Series E60 E61 F10 F11 F07 Mini Cooper Car Led Bmw 5 Series Car Lights

Nissan Titan 2004 2014 Multicarrier Rear Bumper With Tire Swing Arm And Led Oval Back Up Lights Nissan Titan Nissan Titan 2004 Nissan Titan Custom Trucks

Nissan Titan 2004 2014 Multicarrier Rear Bumper With Tire Swing Arm And Led Oval Back Up Lights Nissan Titan Nissan Titan 2004 Nissan Titan Custom Trucks

Pin On Rear Bumpers Multicarriers

Pin On Rear Bumpers Multicarriers

Vw Fog Back Up Lights Jbugs Com Vw Super Beetle Vintage Vw Bus Vw Bug

Vw Fog Back Up Lights Jbugs Com Vw Super Beetle Vintage Vw Bus Vw Bug

Amazon Com New Generation 12 24v Super Bright Low Power 5 X 650 Lumens 1156 1141 1003 3014 54smd Led Light B Led Light Bulb Rv Lighting Light Bulb

Amazon Com New Generation 12 24v Super Bright Low Power 5 X 650 Lumens 1156 1141 1003 3014 54smd Led Light B Led Light Bulb Rv Lighting Light Bulb

Another Ram Truck For Led Reverse Lights Brackets Fabricated From Aluminum Mounted With Stainless Hard Custom Car Audio Remote Car Starter Car Audio Systems

Another Ram Truck For Led Reverse Lights Brackets Fabricated From Aluminum Mounted With Stainless Hard Custom Car Audio Remote Car Starter Car Audio Systems

Source : pinterest.com