Led Fog Light Bulbs For 2015 Silverado Led Fog Light Bulbs Amazon Olm Led Fog Light Bulbs Alpha Hd H3 L Automotive Led Lights Car Led Lights Led Fog Lights

Led Fog Light Bulbs For 2015 Silverado Led Fog Light Bulbs Amazon Olm Led Fog Light Bulbs Alpha Hd H3 L Automotive Led Lights Car Led Lights Led Fog Lights

Pin On Auto Repair

Pin On Auto Repair

Anzo Headlamp Assembly 111184 At Autozone Com Ford Trucks Ford F150 Ford Bronco

Anzo Headlamp Assembly 111184 At Autozone Com Ford Trucks Ford F150 Ford Bronco

Ef Fog Lights Retrofitting Honda Tech Fog Honda Honda Crx

Ef Fog Lights Retrofitting Honda Tech Fog Honda Honda Crx

Westin Bumper Valance Grille Kit 32 0145 At Autozone Com Silverado Hd Bull Bar Chevrolet Tahoe

Westin Bumper Valance Grille Kit 32 0145 At Autozone Com Silverado Hd Bull Bar Chevrolet Tahoe

Pin On Maruti Suzuki Arena Cars

Pin On Maruti Suzuki Arena Cars

Pin On Maruti Suzuki Arena Cars >

Fits 2012 2013 2014 2015 2016 2017 Fog Light Bumper Hole Cover Right Passenger Side For Hyundai Accent New In 2020 Hyundai Accent Light Covers Bumpers

Fits 2012 2013 2014 2015 2016 2017 Fog Light Bumper Hole Cover Right Passenger Side For Hyundai Accent New In 2020 Hyundai Accent Light Covers Bumpers

Pin On Good Things

Pin On Good Things

New Led Lamp Laser Anti Fog Light 12v Car Warning Lights For Volkswagen Jetta Lupo Lupo Gti Passat Cc Passat R Phaeton Point Car Mitsubishi Cars Led Fog Lights

New Led Lamp Laser Anti Fog Light 12v Car Warning Lights For Volkswagen Jetta Lupo Lupo Gti Passat Cc Passat R Phaeton Point Car Mitsubishi Cars Led Fog Lights

Led Bulbs Cars Led Lamps Cars Automotive Led Lights Led Fog Lights Led Bulb

Led Bulbs Cars Led Lamps Cars Automotive Led Lights Led Fog Lights Led Bulb

Pin On Service A Car Step By Step

Pin On Service A Car Step By Step

Fits 2009 2011 Front Left Side Fog Lamp Molding Honda Pilot Ho1038101 71107szaa00zz In 2020 Fog Lamps Light Covers Honda Pilot

Fits 2009 2011 Front Left Side Fog Lamp Molding Honda Pilot Ho1038101 71107szaa00zz In 2020 Fog Lamps Light Covers Honda Pilot

2012 Ram 1500 Led Fog Light Bulbs 30w Cree Led Fog Light Bulbs Led Fog Light Bulbs 2016 F150 Dodge Cha Automotive Led Lights Led Fog Lights Led Light Bulbs

2012 Ram 1500 Led Fog Light Bulbs 30w Cree Led Fog Light Bulbs Led Fog Light Bulbs 2016 F150 Dodge Cha Automotive Led Lights Led Fog Lights Led Light Bulbs

Pin On Maruti Suzuki Nexa Cars

Pin On Maruti Suzuki Nexa Cars

New Smoked Fog Lights Lebra Hood Cover Acura Rsx Acura Vehicles

New Smoked Fog Lights Lebra Hood Cover Acura Rsx Acura Vehicles

Neon Stick Light Stick Lights Unique Light Fixtures Glow Stick Wedding

Neon Stick Light Stick Lights Unique Light Fixtures Glow Stick Wedding

Pin On Maruti Suzuki Car Offers

Pin On Maruti Suzuki Car Offers

468 68 Watch Here Http Alixdw Worldwells Pw Go Php T 32731075711 2015 2016 Mustang Rtr Style Abs Led Front Ford Mustang 2015 Ford Mustang 2016 Mustang

468 68 Watch Here Http Alixdw Worldwells Pw Go Php T 32731075711 2015 2016 Mustang Rtr Style Abs Led Front Ford Mustang 2015 Ford Mustang 2016 Mustang

Pin On 1995 96 Avalon

Pin On 1995 96 Avalon

How To Install Replace Headlight And Bulb Chevy Impala 00 05 1aauto Com Youtube Chevrolet Impala Impala Chevy Impala

How To Install Replace Headlight And Bulb Chevy Impala 00 05 1aauto Com Youtube Chevrolet Impala Impala Chevy Impala

D1s 99 Auto Zone Sylvania Basic Singl Headlight Part Number D1s Hid Bulbs Sylvania Bulb

D1s 99 Auto Zone Sylvania Basic Singl Headlight Part Number D1s Hid Bulbs Sylvania Bulb

Custom Marco Polo Bus Led Auto Lights Best Led Headlamp Front Headlights Manufacturers China Customized Products Xiamen Car Lights Headlights Led Headlamp

Custom Marco Polo Bus Led Auto Lights Best Led Headlamp Front Headlights Manufacturers China Customized Products Xiamen Car Lights Headlights Led Headlamp

New S Cross 1 5 L Petrol Engine Tvc Shivam Autozone Mumbai In 2020 Suv Petrol Premium Cars

New S Cross 1 5 L Petrol Engine Tvc Shivam Autozone Mumbai In 2020 Suv Petrol Premium Cars

Pin On Maruti Suzuki Car Offers

Pin On Maruti Suzuki Car Offers

Autozone Caliper Paint Corded Phone Desk Phone Caliper Paint

Autozone Caliper Paint Corded Phone Desk Phone Caliper Paint

Pin On Car Repair Secrets

Pin On Car Repair Secrets

Pin By Shivam Autozone On Maruti Suzuki Arena Cars Hybrid Car Big Car Maruti Suzuki Cars

Pin By Shivam Autozone On Maruti Suzuki Arena Cars Hybrid Car Big Car Maruti Suzuki Cars

Led Halo 2003 2004 2005 2006 2007 2008 Honda Element Black Projector Headlights Honda Element Honda Element Accessories Honda Ridgeline Custom

Led Halo 2003 2004 2005 2006 2007 2008 Honda Element Black Projector Headlights Honda Element Honda Element Accessories Honda Ridgeline Custom

Tail Lights Tail Light Tail Lights Covers Headlight Covers

Tail Lights Tail Light Tail Lights Covers Headlight Covers

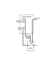
70 Inspirational Fog Light Wiring Diagram Without Relay Lights Diagram Relay

70 Inspirational Fog Light Wiring Diagram Without Relay Lights Diagram Relay

Amazon Com For Nissan Frontier Pathfinder 2nd Gen D40 Pair Of Black Housing Clear Corner Headlight Replacement Automo Nissan Frontier Nissan Black Headlights

Amazon Com For Nissan Frontier Pathfinder 2nd Gen D40 Pair Of Black Housing Clear Corner Headlight Replacement Automo Nissan Frontier Nissan Black Headlights

Pin On Download Wiring Diagram

Pin On Download Wiring Diagram

6 Prerunner Hid By Baja Designs Led Driving Lights Tacoma Accessories Pure Products

6 Prerunner Hid By Baja Designs Led Driving Lights Tacoma Accessories Pure Products

Repair Guides Driveshaft U Joints Front Driveshaft U Joints Autozone Com Repair Guide Repair Ab Wheel

Repair Guides Driveshaft U Joints Front Driveshaft U Joints Autozone Com Repair Guide Repair Ab Wheel

29pcs Abs Exterior Cover Trim Kits For Toyota Fortuner An160 2016 2017 Decorative Cover Interior Accessories Car Decor

29pcs Abs Exterior Cover Trim Kits For Toyota Fortuner An160 2016 2017 Decorative Cover Interior Accessories Car Decor

Pin By Aung Bo Bo On My Saves In 2021 Repair Guide Toyota Trucks Land Cruiser

Pin By Aung Bo Bo On My Saves In 2021 Repair Guide Toyota Trucks Land Cruiser

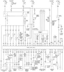
Repair Guides Wiring Diagrams Wiring Diagrams Wiring Diagrams Repair Gu Autozone Autozone Repair Gu For Your Chassis Electrical Wiring Diagrams Wiring Diagra

Repair Guides Wiring Diagrams Wiring Diagrams Wiring Diagrams Repair Gu Autozone Autozone Repair Gu For Your Chassis Electrical Wiring Diagrams Wiring Diagra

All Years The Accessory Switch Thread Subaru Forester Owners Forum Fog Light Switch Switch Subaru

All Years The Accessory Switch Thread Subaru Forester Owners Forum Fog Light Switch Switch Subaru

Rust Oleum Automotive 10 Oz Translucent Black Lens Tint Spray Paint 253256 The Home Depot Rustoleum Car Spray Paint Tints

Rust Oleum Automotive 10 Oz Translucent Black Lens Tint Spray Paint 253256 The Home Depot Rustoleum Car Spray Paint Tints

2003 Mitsubishi Truck Montero Sport 2wd 3 0l Fi Sohc 6cyl Repair Guides Heating Ventilation Air Conditioning 2003 Repair Guide Repair Mitsubishi Truck

2003 Mitsubishi Truck Montero Sport 2wd 3 0l Fi Sohc 6cyl Repair Guides Heating Ventilation Air Conditioning 2003 Repair Guide Repair Mitsubishi Truck

Chevy Silverado Tahoe Halogen Type Xenon Black 4 Piece Headlights Set Chevy Silverado 2002 Chevy Silverado Chevrolet Silverado

Chevy Silverado Tahoe Halogen Type Xenon Black 4 Piece Headlights Set Chevy Silverado 2002 Chevy Silverado Chevrolet Silverado

Repair Guides Wiring Diagrams Autozone Com With Honda Civic 2000 Diagram In 2000 Honda Civic Wiring

Repair Guides Wiring Diagrams Autozone Com With Honda Civic 2000 Diagram In 2000 Honda Civic Wiring

1979 Dodge Sportsman Camper Vacuum Hose Schematic Save 15 Get A 10 Gift Card On Online Ship To Home Exhaust Gas Recirculation Dodge Sportsman Valve Cover

1979 Dodge Sportsman Camper Vacuum Hose Schematic Save 15 Get A 10 Gift Card On Online Ship To Home Exhaust Gas Recirculation Dodge Sportsman Valve Cover

Pin On Autozone

Pin On Autozone

Pin On 04 Mustang Parts

Pin On 04 Mustang Parts

Pin By Lone Star Signs On My Saves Fluid Mechanic Jobs Oil Change

Pin By Lone Star Signs On My Saves Fluid Mechanic Jobs Oil Change

Maruti Suzuki New S Presso 2020 Bs6 Accessorized Suzuki News Suzuki Hybrid Car

Maruti Suzuki New S Presso 2020 Bs6 Accessorized Suzuki News Suzuki Hybrid Car

Image Of Crp Wheel Bearing Hub Assembly Frnt Part Number Bew0024p Brushing Teeth Holder Toothbrush Holder

Image Of Crp Wheel Bearing Hub Assembly Frnt Part Number Bew0024p Brushing Teeth Holder Toothbrush Holder

Equip Cars Trucks Suvs With Headlight From Autozone Get Yours Today We Know Our Pa Headlight Restoration Headlight Restoration Kit How To Clean Headlights

Equip Cars Trucks Suvs With Headlight From Autozone Get Yours Today We Know Our Pa Headlight Restoration Headlight Restoration Kit How To Clean Headlights

Pin On Skoda Rapid Car Accessories Trigcars Com

Pin On Skoda Rapid Car Accessories Trigcars Com

Source : pinterest.com