Autozone Fix Finder Check Engine Light Autozone Com Vehicle Logos Chevrolet Logo Logos

Autozone Fix Finder Check Engine Light Autozone Com Vehicle Logos Chevrolet Logo Logos

An Obd Ii Reader That S What Those Guys At Autozone Use To Scan Your Check Engine Light It Cost Me Less Than 20 And Car Diagnostic Tool Diagnostic Tool Obd

An Obd Ii Reader That S What Those Guys At Autozone Use To Scan Your Check Engine Light It Cost Me Less Than 20 And Car Diagnostic Tool Diagnostic Tool Obd

Autozone Is Here To Help With The Top 5 Reasons Your Check Engine Light May Come On Light Engineering Help

Autozone Is Here To Help With The Top 5 Reasons Your Check Engine Light May Come On Light Engineering Help

Check Engine Light And Cam Sensor Autozone Car Care Car Care Engineering Sensor

Check Engine Light And Cam Sensor Autozone Car Care Car Care Engineering Sensor

Read Check Engine Light Cel Codes Without A Scanner 2012 Dodge Challenger Youtube 2012 Dodge Challenger Dodge Challenger Challenger

Read Check Engine Light Cel Codes Without A Scanner 2012 Dodge Challenger Youtube 2012 Dodge Challenger Dodge Challenger Challenger

Ac Diagnostics Autozone Car Care Youtube Car Air Conditioning Refrigeration And Air Conditioning Auto Ac Repair

Ac Diagnostics Autozone Car Care Youtube Car Air Conditioning Refrigeration And Air Conditioning Auto Ac Repair

Ac Diagnostics Autozone Car Care Youtube Car Air Conditioning Refrigeration And Air Conditioning Auto Ac Repair >

Pin On Javier

Pin On Javier

Pin On Stark Talent Commercials

Pin On Stark Talent Commercials

Noid Light Autozone Google Search In 2020 Light Measurement Tools Tools And Equipment

Noid Light Autozone Google Search In 2020 Light Measurement Tools Tools And Equipment

How To Check The Engine When Buying A Used Car Auto Repair Repair Car Buying

How To Check The Engine When Buying A Used Car Auto Repair Repair Car Buying

This Specific Item For Autozone Battery Prices Seems To Be Totally Terrific Need To Remember This The Very Ne Car Battery Charger Car Battery Battery Charger

This Specific Item For Autozone Battery Prices Seems To Be Totally Terrific Need To Remember This The Very Ne Car Battery Charger Car Battery Battery Charger

Fix Finder Loan A Tool 06 Kiss It Goodbye Youtube Loan Finder Get The Job

Fix Finder Loan A Tool 06 Kiss It Goodbye Youtube Loan Finder Get The Job

Duralast Impact Socket Set Review 90 Pc Ratchet And 70 044 Tool Model Autozone 45 10mm 50 Piece In 2020 Impact Socket Set Socket Set Impact Sockets

Duralast Impact Socket Set Review 90 Pc Ratchet And 70 044 Tool Model Autozone 45 10mm 50 Piece In 2020 Impact Socket Set Socket Set Impact Sockets

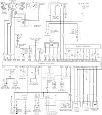
Repair Guides Wiring Diagrams Wiring Diagrams Autozone Com Electrical Wiring Diagram Repair Guide Electrical Wiring

Repair Guides Wiring Diagrams Wiring Diagrams Autozone Com Electrical Wiring Diagram Repair Guide Electrical Wiring

85 Chevy Truck Wiring Diagram Chevrolet C20 4x2 Had Battery And Alternator Checked At Both Electrical Wiring Diagram Chevy Trucks Electrical Diagram

85 Chevy Truck Wiring Diagram Chevrolet C20 4x2 Had Battery And Alternator Checked At Both Electrical Wiring Diagram Chevy Trucks Electrical Diagram

Repair Guides Component Locations Component Locations 1 Repair Guide Chevy Silverado Silverado

Repair Guides Component Locations Component Locations 1 Repair Guide Chevy Silverado Silverado

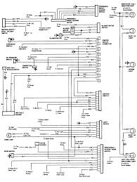
1998 Chevrolet Truck K2500hd 3 4 Ton P U 4wd 6 5l Turbo Dsl Ohv 8cyl Repair Guides Wiring Diagrams Wiring Trailer Wiring Diagram Chevy Trucks Chevy 1500

1998 Chevrolet Truck K2500hd 3 4 Ton P U 4wd 6 5l Turbo Dsl Ohv 8cyl Repair Guides Wiring Diagrams Wiring Trailer Wiring Diagram Chevy Trucks Chevy 1500

Looking For Emergency Mobile Check Engine Light Diagnostics And Repair Services Near Omaha Ne Our Engine Diagn Mobile Mechanic Truck Repair Car Repair Service

Looking For Emergency Mobile Check Engine Light Diagnostics And Repair Services Near Omaha Ne Our Engine Diagn Mobile Mechanic Truck Repair Car Repair Service

Car Power Inverter 12 24 V To 5 Voltage Converter 2000 Lincoln Town Longest Lasting Wax Sunshades In 2020 Power Inverters Used Car Parts Cheap Auto Parts

Car Power Inverter 12 24 V To 5 Voltage Converter 2000 Lincoln Town Longest Lasting Wax Sunshades In 2020 Power Inverters Used Car Parts Cheap Auto Parts

Repair Guides Wiring Diagrams Autozone Com With Honda Civic 2000 Diagram In 2000 Honda Civic Wiring

Repair Guides Wiring Diagrams Autozone Com With Honda Civic 2000 Diagram In 2000 Honda Civic Wiring

Click Image To See An Enlarged View Trailer Wiring Diagram Chevy Trucks Chevy 1500

Click Image To See An Enlarged View Trailer Wiring Diagram Chevy Trucks Chevy 1500

Autozone Auto Parts Buy Online Or In A Store Near You Tyre Shop Extend Life Auto Parts Store

Autozone Auto Parts Buy Online Or In A Store Near You Tyre Shop Extend Life Auto Parts Store

Repair Guides Wiring Diagrams Wiring Diagrams 5 Of 103 Honda Civic Repair Guide Electronic Circuit Design

Repair Guides Wiring Diagrams Wiring Diagrams 5 Of 103 Honda Civic Repair Guide Electronic Circuit Design

Repair Guides Wiring Diagrams Autozone Com Throughout 1994 Chevy Silverado Diagram 59dd69fb1635f For In 2020 Diagram Fluid Flow Diagram Design

Repair Guides Wiring Diagrams Autozone Com Throughout 1994 Chevy Silverado Diagram 59dd69fb1635f For In 2020 Diagram Fluid Flow Diagram Design

3

3

Pin On Circuit Board 81

Pin On Circuit Board 81

Autozone Changing Your Oil Is Easy Oil Change Oils More Words

Autozone Changing Your Oil Is Easy Oil Change Oils More Words

Autozone Repair Manuals In 2020 Car Symbols Car Car Fix

Autozone Repair Manuals In 2020 Car Symbols Car Car Fix

Pin On Bmw Love

Pin On Bmw Love

How To Replace Drum Brakes Autozone Car Care Car Care Repair And Maintenance Manual Car

How To Replace Drum Brakes Autozone Car Care Car Care Repair And Maintenance Manual Car

77 Awesome 2002 Chevy Silverado Tail Light Wiring Diagram Trailer Wiring Diagram Electrical Diagram 2005 Chevy Silverado

77 Awesome 2002 Chevy Silverado Tail Light Wiring Diagram Trailer Wiring Diagram Electrical Diagram 2005 Chevy Silverado

16 Wiring Diagram For 1990 Chevy Pickup With Deisel Engine Repair Guide Electrical Wiring Diagram Chevy Pickups

16 Wiring Diagram For 1990 Chevy Pickup With Deisel Engine Repair Guide Electrical Wiring Diagram Chevy Pickups

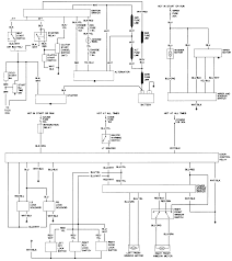
1997 Toyota Rav4 Vacuum Hose Routing Diagram Images Save 20 On Online Ship To Home Orders Of 100 Or More

1997 Toyota Rav4 Vacuum Hose Routing Diagram Images Save 20 On Online Ship To Home Orders Of 100 Or More

You Can Save Money And Protect Your Engine By Performing Your Own Oil Change Autozone Has The Products Parts Tools And Expert Advi Oil Change Car Care Oils

You Can Save Money And Protect Your Engine By Performing Your Own Oil Change Autozone Has The Products Parts Tools And Expert Advi Oil Change Car Care Oils

Repair Guides Wiring Diagrams Wiring Diagrams Wiring Diagrams Repair Gu Autozone Autozone Repair Gu For Your Chassis Electrical Wiring Diagrams Wiring Diagra Di 2020

Repair Guides Wiring Diagrams Wiring Diagrams Wiring Diagrams Repair Gu Autozone Autozone Repair Gu For Your Chassis Electrical Wiring Diagrams Wiring Diagra Di 2020

Access Denied Construccion

Access Denied Construccion

Premium Gas Vs Regular What S Really Better For Your Car Cbc Marketplace Best Gas Mileage Gas Car Maintenance

Premium Gas Vs Regular What S Really Better For Your Car Cbc Marketplace Best Gas Mileage Gas Car Maintenance

403 Forbidden Chevy Trucks Gmc Truck Electrical Wiring Diagram

403 Forbidden Chevy Trucks Gmc Truck Electrical Wiring Diagram

Click Image To See An Enlarged View Repair Guide Repair 4runner

Click Image To See An Enlarged View Repair Guide Repair 4runner

Repair Guides Wiring Diagrams Wiring Diagrams Autozone Com Repair Guide Electrical Wiring Diagram Toyota

Repair Guides Wiring Diagrams Wiring Diagrams Autozone Com Repair Guide Electrical Wiring Diagram Toyota

Access Denied Repair Guide Dodge Trucks Ram Repair

Access Denied Repair Guide Dodge Trucks Ram Repair

Maruti Suzuki Service On Wheels Doorstep Car Repair Service Car Repair Service Suzuki Auto Repair

Maruti Suzuki Service On Wheels Doorstep Car Repair Service Car Repair Service Suzuki Auto Repair

403 Forbidden Car Door Lock Door Locks Car Door

403 Forbidden Car Door Lock Door Locks Car Door

1997 Chevrolet Truck K1500 1 2 Ton P U 4wd 5 7l Fi Ohv 8cyl Repair Guides Engine Mechanical Lower Intake Manifold Autozone C Repair Guide Trucks Repair

1997 Chevrolet Truck K1500 1 2 Ton P U 4wd 5 7l Fi Ohv 8cyl Repair Guides Engine Mechanical Lower Intake Manifold Autozone C Repair Guide Trucks Repair

2007 Honda Odyssey P1717 2007 Honda Odyssey Honda Odyssey Honda

2007 Honda Odyssey P1717 2007 Honda Odyssey Honda Odyssey Honda

86 Chevy Truck Wiring Diagram Repair Guides Wiring Diagrams Wiring Diagrams Autozone In 1986 Chevy Truck Wir 1985 Chevy Truck 1986 Chevy Truck 1979 Chevy Truck

86 Chevy Truck Wiring Diagram Repair Guides Wiring Diagrams Wiring Diagrams Autozone In 1986 Chevy Truck Wir 1985 Chevy Truck 1986 Chevy Truck 1979 Chevy Truck

Pin On Troubleshooting Honda

Pin On Troubleshooting Honda

1985 Dodge Ram Truck D150 1 2 Ton P U 2wd 5 2l 2bl Ohv 8cyl Repair Guides Electronic Engine Controls Electronic Carb Repair Guide Dodge Trucks Ram Repair

1985 Dodge Ram Truck D150 1 2 Ton P U 2wd 5 2l 2bl Ohv 8cyl Repair Guides Electronic Engine Controls Electronic Carb Repair Guide Dodge Trucks Ram Repair

Reading Check Engine Light Codes Autozone Car Care Car Care Light Specialty Tools

Reading Check Engine Light Codes Autozone Car Care Car Care Light Specialty Tools

Https Encrypted Tbn0 Gstatic Com Images Q Tbn And9gcqfrnuop W1qfj 75mwe90bgjli324mmyurlwdnfx2yt09veoe Usqp Cau

Https Encrypted Tbn0 Gstatic Com Images Q Tbn And9gcqfrnuop W1qfj 75mwe90bgjli324mmyurlwdnfx2yt09veoe Usqp Cau

Source : pinterest.com